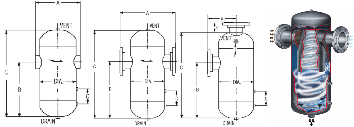
T separator
specifications
Fully welded pressure vessel fabricated to ASME Code Section VIII Division
1 with stamp, has no serviceable/moving components, requires zero maintenance.
Separates entrained droplets and particles larger than 10 microns in
diameter with 99% efficiency. Maximum separation rate is equivalent to 40% of
its maximum rated mass flow capacity and will separate slugs of liquid.
The “G” ports exist to visualize proper drainage with a sight gauge and
not for a liquid hold-up level as if the liquid level reaches the lower “G” port
it is not draining from the separator quick enough. Utilize the type L1S or TS
gas/liquid separator when a liquid hold-up level is required.
The separator size required is based upon the required vessel length and
diameter and not necessarily the corresponding inlet and outlet pipeline size;
thus, we size the nozzle to match the pipeline for which it is installed into.
Typically
manufactured from pipe, they can be fabricated from rolled plate; standard
materials include carbon steel, 304L SS and 316L SS although they can be
fabricated in other alloys when required. We also offer 1½ through 4”
sizes in cast iron, typically less costly then fabricated separators and a lead
time from stock to 2 weeks. Customizations include support legs, additional
ports and non-flanged connections.


CAST IRON TYPE T AND ST GAS-LIQUID SEPARATORS
Cast iron type T and ST (containing an internal float drain trap) are
inexpensive alternatives for gas/liquid separation when an ASME Code Stamp is
not required and when cast iron material is compatible with the media and
pressure/temperature conditions.
The ST separators (with internal drain trap) have flanged bottoms to enable
periodic replacement of the internal float valve assembly). Since most air
and steam applications for cast iron type T separators require an external float
drain trap, the type ST separator provides a slightly more economical design by
simplifying installation. The standard drain orifice is 3/32” supporting a
condensate drainage rate of:
Condensate Drainage Capacity for
3/32” orifice in lbs/hr based upon differential pressure:

Both T and ST separators separates entrained droplets and particles larger than
10 microns in diameter with 99% efficiency
Maximum separation rate is equivalent to 40% of its maximum rated mass flow
capacity and will separate slugs of liquid.
The “C” ports exist to visualize proper drainage with a sight gauge and not for
a liquid hold-up level as if the liquid level reaches the lower “C” port it is
not draining from the separator quick enough. Utilize the type L1S or TS
gas/liquid separator when a liquid hold-up level is required.
Unlike fabricated gas/liquid separators, cast iron separators cannot be
customized with reduced nozzle sizes, additional ports or having modified
dimensions; they are intended for air and steam applications.
Lead
times range from stock to 2-3 weeks for assembly when components are
in-stock; if cast components are not in-stock the lead time is foundry
based (months).

